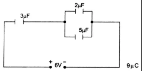
Problem
Find the charge on the 5μF capacitor in the circuit shown below:

Data
- Capacitor C1​=3μF
- Capacitor C2​=2μF
- Capacitor C3​=5μF
- Voltage V=6V.
Prerequisite Concepts
Ceq′​=C2​+C3​
Ceq​1​=C1​1​+Ceq′​1​
- Charge on Each Capacitor:
Q=Ceq​⋅V.
Answer
Step 1: Calculate Equivalent Capacitance for Parallel Combination
For C2​ and C3​:
Ceq′​=C2​+C3​=2+5=7μF
Step 2: Calculate Total Equivalent Capacitance for Series
Ceq​1​=C1​1​+Ceq′​1​
Ceq​1​=31​+71​
Take LCM:
Ceq​1​=217+3​=2110​
Ceq​=1021​=2.1μF
Step 3: Calculate Total Charge
Q=Ceq​⋅V
Q=2.1×10−6⋅6=12.6μC
Step 4: Calculate Voltage Across Parallel Combination
Vparallel​=Ceq′​Q​
Vparallel​=712.6​=1.8V
Step 5: Calculate Charge on C3​
Q3​=C3​⋅Vparallel​
Q3​=5⋅1.8=9μC
Final Answer
The charge on the 5μF capacitor is 9μC.